开云手机官方版页面登录入口
关于我们
公司简介
发展之路
资质证书
品质保证
产品展示
船用发电机
电站发电机
新闻中心
公司动态
客户与合作伙伴
服务中心
服务
识别真伪
防伪查询
下载中心
联系我们
全部
船用发电机
电站发电机
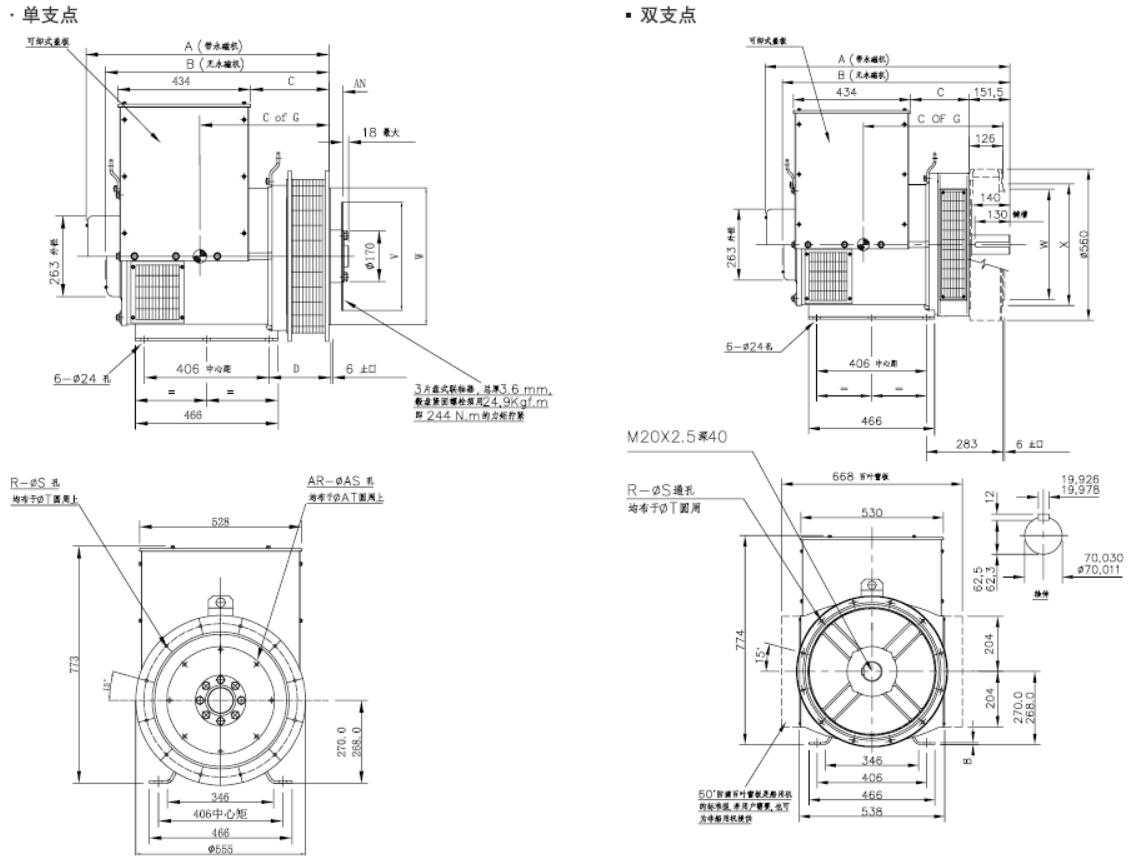
GR270 三相陆用发电机
特点:
●符合国际优质的发电机标准要求
●自励控制或可选的永磁发电机提供持续的短路电流能力
●H级绝缘满足恶劣的环境要求
●
2/3的绕组节距抑制过多的中线电流
●12个定子出线端可以重接
●单支点或双支点结构
●易于安装和维护
●标准IP22防护等级
选项或附件
●绕组温度传感器RTD
●轴承温度传感器RTD
●绕组高温保护热敏电阻和继电器
●可选的永磁发电机提供独立的励磁系统电源
●可选MX34 1或MX321AVR, 可选的三相感应检测模
●
块使AS440AVR满足土0.5%的电压调整率
●防冷凝加热器:
●空气过滤器
●并联运行下垂互感器
●抗无线电干扰抑制器
●功率因素控制器PFC3
●选配
IP23防护等级
在线咨询
在线咨询
产品名称
*
:
电子邮箱
*
:
联系人 :
电话 :
咨询内容 :
提交
重置
产品详情
注:所有陆用额定值是基于海拔1000米内,环境温度为40°C。
其它电压范围的发电机要根据用户需要设计制造。
上一页:没有了
下一页:
工业制砂设备配件
热门推荐
GR450GHJ 三相陆用发电机
GR450EF 三相陆用发电机
GR400 三相陆用发电机
GR355 三相陆用发电机
GR314 三相陆用发电机
开云手机官方版页面登录入口
电话
短信
联系
星空在线登录官网
|
乐鱼登录官网首页
|
完美平台竞技赛事,完美平台实时比分,完美平台全程直播,完美平台互动平台,完美平台热门入口
|
乐竞官网
|
开云网页版·官方版在线登入
|
开云体育(中国)官方网站
|
华体会官方版网站登录入口
|
MK体育(国际)官方网站
|
星空体育平台官方网站
|